Direttiva Ped
Scopo della Direttiva 97/23/CE è quello di armonizzare le legislazioni nazionali degli Stati membri relative alla valutazione del progetto, della produzione, del collaudo e della conformità delle attrezzature a pressione e degli insiemi.
La direttiva riguarda prodotti, recipienti a pressione, scambiatori di calore, generatori di vapore, caldaie, tubazioni industriali, dispositivi di sicurezza e accessori a pressione.
Tali attrezzature sono ampiamente utilizzati nelle industrie di processo (oil & gas, chimica, farmaceutica, materie plastiche e gomma, alimentare, cartaria…)
I Servizi CISIA per i costruttori di apparecchiature:
CLASSIFICAZIONE DELLE ATTREZZATURE secondo categorie di rischi PED
INDIVIDUAZIONE DEI COMPONENTI O APPARECCHIATURE che ricadono nel campo di applicazione
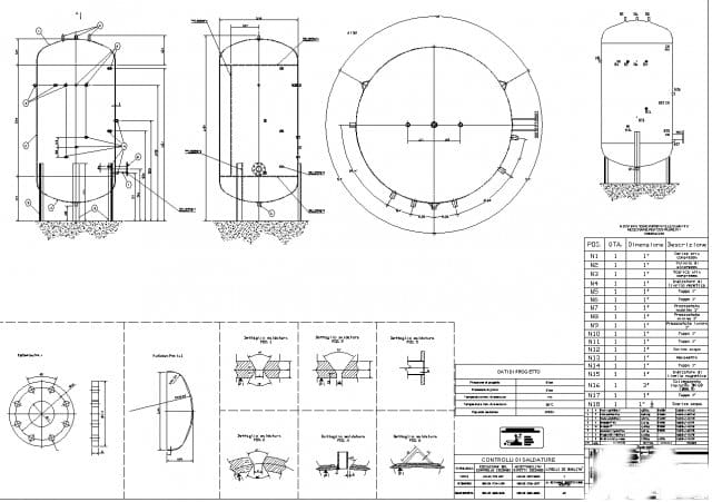
GESTIONE PROGETTO ATTREZZATURE E INSIEMI: analisi dei rischi, materiali, calcoli e disegni (in applicazione a diversi codici di calcolo: norme EN, VSR, VSG, ASME, etc)
Predisposizione del FASCICOLO TECNICO e delle ISTRUZIONI PER L’USO
Assistenza durante le visite di certificazione
Consulenza per la predisposizione e mantenimento di sistema qualità PED
Valutazione AFFIDABILITÀ ACCESSORI/LOOP di Sicurezza (IEC 61508,61511)
FORMAZIONE al personale tecnico.
I Servizi CISIA per gli utilizzatori i datori di lavoro e gli installatori:
CENSIMENTO e attribuzione della CATEGORIA DI RISCHI O PED
ATTRIBUZIONE TIPOLOGIA E PERIODICITA’ DELLE VERIFICHE DOCUMENTAZIONE PRIMO IMPIANTO
DICHIARAZIONE DI MESSA IN SERVIZIO da inviare all’ISPESL e all’USL o ASL competente
DOCUMENTAZIONE DA PRESENTARE ALL’ISPESL per la denuncia delle tubazioni e recipienti per liquidi
aggiornamento e/o predisposizione degli SCHEMI DELL’IMPIANTO
aggiornamento e/o predisposizione del FASCICOLO
